
CML Micro launches the CMX918 ultra-low-power SDR tuner enabling longer battery life from LF to VHF
Advanced SDR tuner combines digital radio capability including Digital Radio Mondiale (DRM) with impressive low power consumption for portable and embedded receivers
CML Micro, a developer of mixed-signal, RF, and microwave semiconductors for global communications markets, has launched the CMX918, an advanced, ultra-low-power, multi-mode Software-Defined Radio (SDR) tuner designed to significantly extend battery life in portable, embedded, and always-on radio applications.
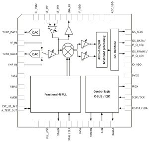
This latest addition to CML Micro’s extensive portfolio enables manufacturers to develop next-generation radio devices with smaller footprints, extended tuning capabilities, and reduced power consumption without compromising RF performance. As a result, the CMX918 is particularly suited to battery-powered hand-held devices, portable receivers, remote sensors, automotive and maritime systems where power efficiency is critical. The CMX918 facilitates seamless in-circuit integration via standard SPI, I²C, and I²S interfaces.
In addition to supporting established analogue transmission methods such as AM, FM and SSB, and specialist data services like NAVDAT, the CMX918 architecture ensures compatibility with key digital broadcasting standards including Digital Radio Mondiale (DRM).
Measuring just 5 × 5 mm, the CMX918 provides broad frequency coverage from 150 kHz to 108 MHz, using a highly flexible, software-driven architecture designed for low-power, high-performance applications. The compact footprint and wide tuning range make the device ideally suited to advanced space-constrained designs requiring coverage across LF, MF, HF, and VHF bands while delivering excellent real-world RF performance.
The CMX918 utilises a low-IF architecture with an integrated low-phase-noise VCO to ensure robust real-world signal reception. Software-configurable AGC, selectable IF bandwidths, and standardised digital interfaces support seamless integration across a wide range of radio platforms, enabling the CMX918 to operate as either a stand-alone receiver or as part of a larger high-performance unit.
Key technical features include:
· High spurious-free dynamic range for superior signal integrity
· Integrated low-phase-noise VCO with fast lock time
· Support for AM, FM, DRM, DRM+, SSB, and many data modulation schemes
· Compact 5 × 5 mm VQFN32 package, ideal for space-constrained designs
“The introduction of CMX918 reinforces CML Micro’s expertise in digital radio and software-defined receivers,” explains Matthew Phillips, Product Line Director for Broadcast and Maritime, at CML Micro.“By combining wideband performance, high dynamic range, and ultra-low-power operation in a small form factor device, we’re empowering integrators and designers to develop smart and adaptive digital radio products quickly and cost effectively.”
Developed for flexible deployment, the CMX918 has been designed to meet the requirements of both OEMs and system integrators. Building on CML Micro’s proven SDR technology building-block portfolio, the product enables high-performance, low-power receiver designs across a broad range of applications. Optional in-house design services can provide manufacturers and solution developers with flexible integration pathways spanning digital broadcast radio, professional communications, IoT, automotive, and embedded SDR platforms.
For validation and design purposes the CMX918 may be used in conjunction with the EV9180 evaluation kit and ES9180 software tools, which operate in conjunction with CML Micro’s PE0004 Universal Interface Card to provide an intuitive, informative, stable and repeatable test environment.
For more news please visit: News – CIE
